เผยข้อมูลซีพียู Intel Raptor Lake รุ่นที่13 คาดว่าจะใช้ระบบจ่ายไฟแบบ Intel DLVR ช่วยเพิ่มประสิทธิภาพขึ้นถึง 7% และกินไฟน้อยลงมากถึง 21%
| Share | Tweet |
เผยข้อมูลซีพียู Intel Raptor Lake รุ่นที่13 คาดว่าจะใช้ระบบจ่ายไฟแบบ Intel DLVR ช่วยเพิ่มประสิทธิภาพขึ้นถึง 7% และกินไฟน้อยลงมากถึง 21%

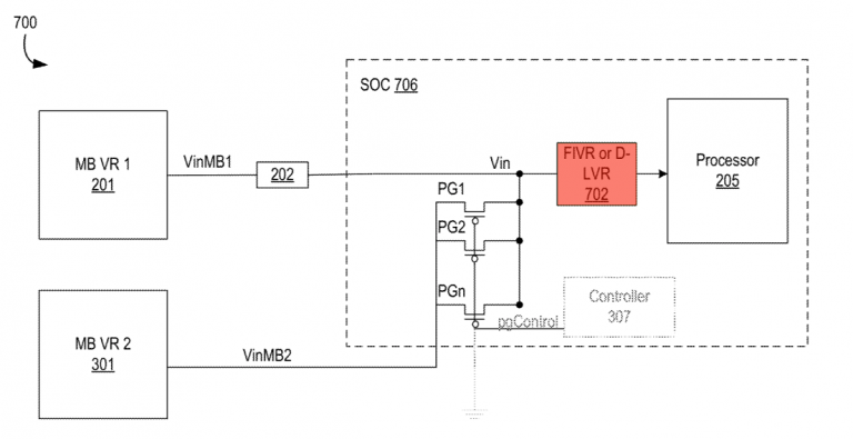
วันนี้ก็มีข่าวจากฝั่ง Intel กับข่าวของซีพียู Intel Raptor Lake รุ่นที่ 13 ที่ยังไม่เปิดตัวและคาดว่าจะเป็นซีพียูรุ่นต่อไปถัดจาก Alder Lake ที่คาดว่าจะใช้ระบบจ่ายไฟแบบ Intel DLVR (Digital Linear Voltage Regulator (DLVR) ) ซึ่งช่วยเพิ่มประสิทธิภาพขึ้นถึง 7% และกินไฟน้อยลงมากถึง 21% กันเลยทีเดียว โดยข้อมูลดังกล่าวมาจากทาง Reddit โดยระบบ DLVR ทาง Intel ได้สรุปว่าสามารถลดแรงดันไฟของ CPU ลงได้ 160mV ซึ่งหมายความว่าใช้พลังงาน CPU ลดลงประมาณ 20% ถึง 25% กับแรงดันไฟที่ลดลงมากถึง 21% ในตัวซีพียูส่งผลให้ซีพียูมีประสิทธิภาพเพิ่มขึ้นประมาณ 7% ตามที่กล่าวมานั่นเองครับ โดยระบบ DLVR คาดว่าจะอยู่ในบรรดาเมนบอร์ด Intel 700ซีรี่ย์รุ่นต่อไปในอนาคตครับ ก็ต้องรอดูครับว่าภาคจ่ายไฟแบบใหม่ที่ทาง Intel ออกแบบนั้นจะดีมากน้อยขนาดไหน น่าติดตามครับ



ที่มา https://videocardz.com
EN










